آزمایشگاه فیزیک ۲

 آزمایشگاه فیزیک پایه 2

انجام آزمایش‌ها در آزمایشگاه فیزیک پایه دو به درک مفاهیم و مطالب درس فیزیک پایه دو و تقویت شهود فیزیکی دانشجویان کمک می‌کند. در این آزمایشگاه دانشجو با اصول و روش کار با بعضی از وسایل آزمایشگاه و نیز اصول و شیوه صحیح کار در آزمایشگاه تا حدودی آشنا خواهد شد. همچنین با مفهوم و انواع خطاهای آزمایش و روش بررسی و تحلیل نتایج آشنا می‌شود.

لیست آزمایش‌های قابل انجام به صورت زیر است:

1- اندازه‌گیری مقاومت‌ها

2- بررسی قانون اهم

3- بهم بستن مقاومت‌ها به صورت موازی و متوالی و تعیین مقاومت معادل

4- بررسی رسانش الکتریکی و وابستگی مقاومت سیم به عوامل مختلف مانند طول، جنس و سطح مقطع

5- بررسی مقاوت‌های خطی و غیرخطی

6- اندازه‌گیری مقاومت به روش پل وتستون

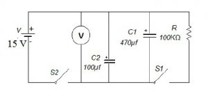
7- مطالعه خازن‌ها، رسم منحنی شارژ و دشارژ خازن، اندازه‌گیری ظرفیت خازن و بررسی قوانین خازن‌های سری و موازی

8- آشنایی با اسلوسکوپ و چگونگی کار با آن

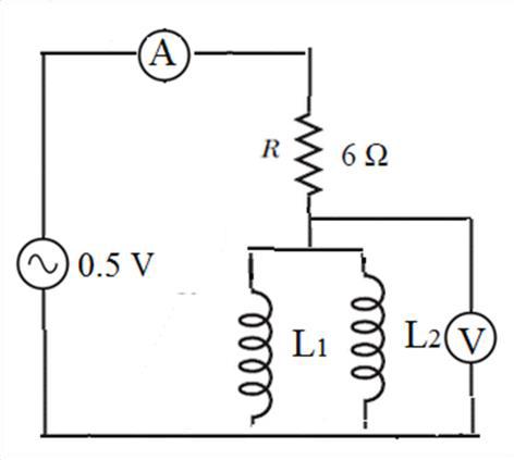
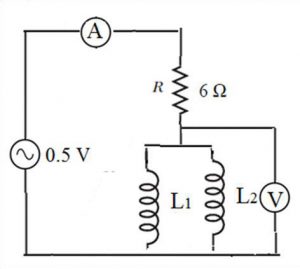
9- بررسي ترانسفورماتور و قوانين حاكم بر آن

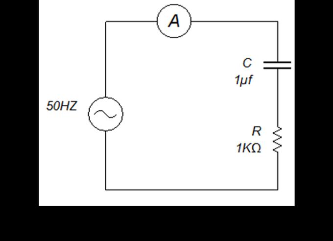
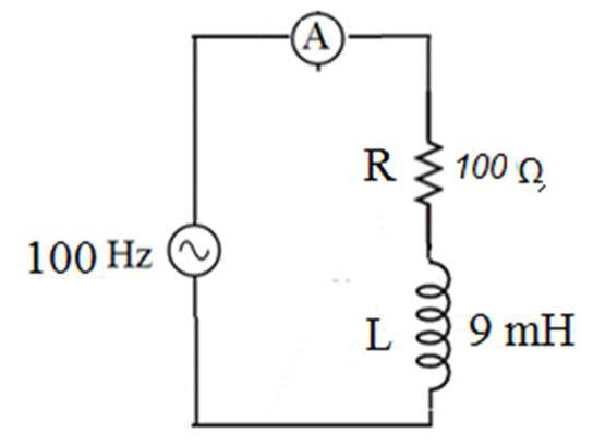
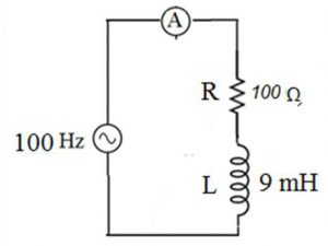
10- بررسی مقاومت ظاهری مدارهای شامل مقاومت، سلف و خازن